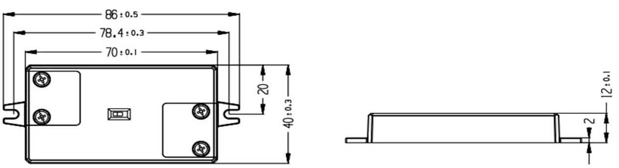
Contacteur 3 positions DC12-24V Porte (ref.8200102)

RÉF : ND Catégorie :
Alimentation

12-24VDC

Courant

5A

Puissance

120W

Réf. Alimentation Courant Puissance PrixQuantité
8200102 12-24VDC5A120W
spinner Ajouter au devis